SBLV Bleed Valves
Bleed Valve – SBLV Bleed Valves
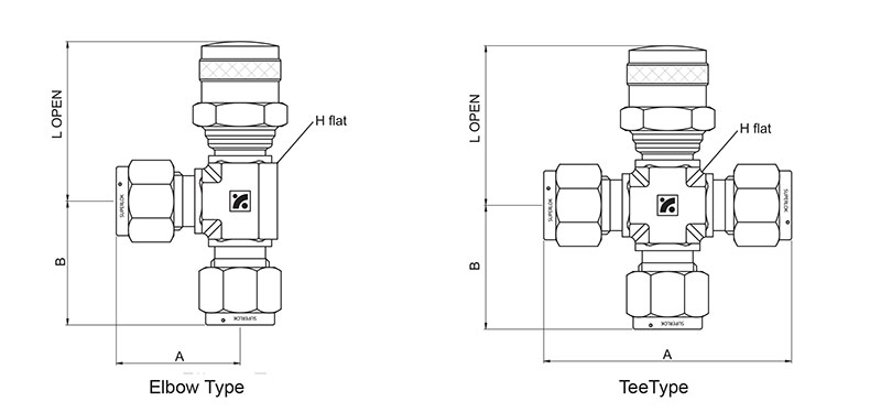
Bleed Valves are crucial for venting excess pressure from hydraulic, gas, and instrumentation systems, preventing pressure build-up that could lead to equipment failure. The SBLV Bleed Valves feature back-stop screws to prevent accidental stem removal and chrome-plated stem threads for enhanced durability. These valves are designed to meet industry safety standards and are commonly used in petrochemical, aerospace, and high-pressure applications. Their precision engineering allows for easy and controlled pressure release, improving system performance and safety.
The compact design makes them ideal for confined spaces, ensuring compatibility with various piping configurations. Whether used in laboratory settings, industrial plants, or energy production facilities, these valves provide long-term reliability and resistance to harsh conditions.
Browse all Bleed Valves below to maintain optimal system safety and efficiency.
| Inch/Metric | Inch |
|---|---|
| Inlet End Connection Type | Male National Pipe Thread (NPT) |
| Outlet End Connection Size | 3/8in |
| Outlet End Connection Type | Outside Diameter Tube Stub |
| Superlok Part Type | Bleed Valve |
SBLV-M-2N-V SBLV Bleed Valves
SBLV-M-4N-BH SBLV Bleed Valves
SBLV-M-4N-V SBLV Bleed Valves
- Model: SBLV-M-4N-V (1/4" MNPT x 3/16" vent tube, 316 stainless steel)
- Type: Bleed Valve (vent-style with tube stub outlet)
- Material: 316 Stainless Steel with chrome-plated stem
- Design: Compact valve with integrated stem stop and precision venting



