SC Fitting Caps
SC Fitting Caps
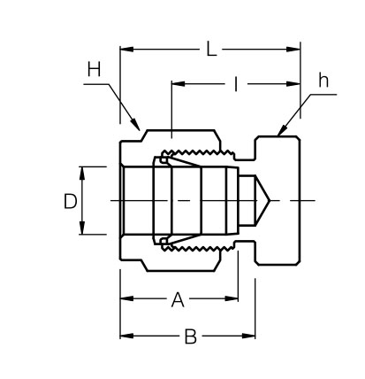
Specifications
| Superlok Part Type | Fitting Cap |
|---|
Available Sizes
SC-6 SC Fitting Caps
- Model: SC-6 (3/8" Tube OD Compression Cap)
- Type: End Cap for Compression Fittings
- Material: 316 Stainless Steel (corrosion-resistant alloy)
- Design: Dual-ferrule compression seal for leak-tight shutoff


