SGBV Gauge Bleed Valves
Pressure Gauge Bleed Valve – SGBV Gauge Bleed Valves
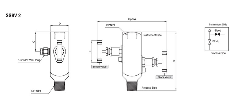
The Pressure Gauge Bleed Valve is a crucial component for controlled pressure relief in high-pressure instrumentation systems. Designed to release trapped pressure before removal, this valve ensures safety and system integrity. Constructed from stainless steel, it offers corrosion resistance and durability under demanding conditions. The compact design makes it suitable for confined spaces, while the precision-engineered sealing mechanism prevents leaks. Ideal for chemical processing, gas distribution, and oil and gas applications, the pressure gauge bleed valve is available in multiple configurations to suit various system requirements.
Browse all Pressure Gauge Bleed Valves below to find the best solution for your needs.
Looking for Swagelok? alternatives? Enter a part number in our search to find compatible alternatives.
| End Size 2 | 44198in |
|---|---|
| End Type | Male National Pipe Thread (MNPT) |
| End Type 2 | Female National Pipe Thread (FNPT) |
| Inch/Metric | Inch |
| Operating Pressure [Max] | 413bar, 6000psig |
| Superlok Part Type | Bleed Valve |
| Temperature Rating with Polytetrafluoroethylene (PTFE) Packing | -54 to 232?C, -65 to 450?F |

