SM3V 3-Valve Manifold Valves
Three Valve Manifold – SM3V 3-Valve Manifold Valves
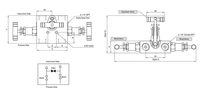
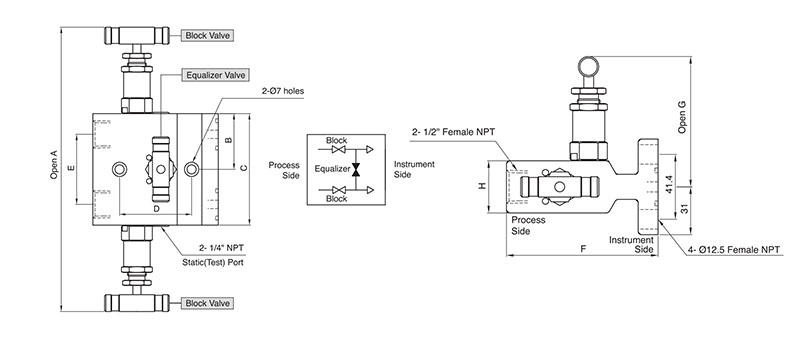
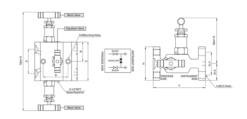
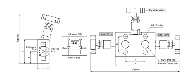
The Three Valve Manifold is a versatile instrument manifold valve designed to control, isolate, and equalize pressure in industrial applications. Rated for 6000 psi, it features PTFE packing for a leak-tight seal and 316 stainless steel construction for maximum corrosion resistance. With remote and direct mounting options, it is widely used in oil & gas, petrochemical, and process control industries. This manifold simplifies calibration and maintenance, making it an essential component for precision fluid control systems.
Browse all Three Valve Manifold Valves below for the right fit in your application.
Looking for Swagelok? alternatives? Enter a part number in our search to find compatible alternatives.
| End Connections | Female National Pipe Thread (FNPT)Process Type |
|---|---|
| End Connections Process Size | 1/2mm |
| Inch/Metric | Inch |
| Orifice | 0.250in, 6.4mm |
| Superlok Part Type | Manifold Valve |




