SM5V 5-Valve Manifold Valves
Five Valve Manifold – SM5V 5-Valve Manifold Valves
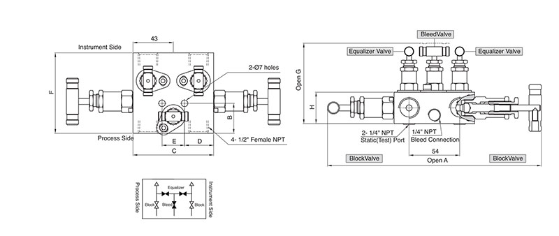
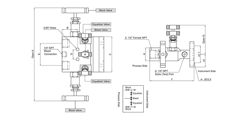
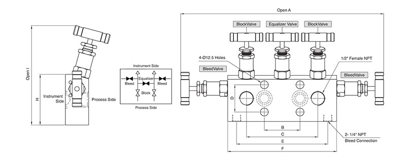
The Five Valve Manifold is engineered for advanced pressure instrument control in industrial applications. Capable of handling up to 6000 psi, it features stainless steel construction for superior durability. Designed for isolation, equalization, and venting, this manifold ensures precise flow control in high-pressure systems. It integrates flange and remote mounting options, making it suitable for oil & gas, chemical processing, and fluid measurement systems. Its leak-tight design enhances system reliability, minimizing downtime and maintenance.
Browse all Five Valve Manifold Valves below to get the right component for your system.
Looking for Swagelok? alternatives? Enter a part number in our search to find compatible alternatives.
| Inch/Metric | Inch |
|---|---|
| Superlok Part Type | Manifold Valve |
SM5V-F-8N SM5V 5-Valve Manifold Valves
SM5VD-F-8N-G SM5V 5-Valve Manifold Valves
SM5VDF-SFS SM5V 5-Valve Manifold Valves
SM5VF-F-8N-SFS SM5V 5-Valve Manifold Valves
- Model: SM5VF-F-8N-SFS (5-valve manifold, 316 stainless steel)
- Type: Direct-Mount 5-Valve Manifold (with flange and bolt/gasket set)
- Connections: 1/2" FNPT x Flanged
- Material: 316 Stainless Steel (corrosion-resistant alloy)
- Pressure Rating: Up to 6,000 PSIG (413 bar)
- Temperature Rating: Up to 1,200 °F (648 °C) with optional Grafoil packing




